A mobile boiler room is a mobile source of hot water for heating and technological purposes. It is adapted for hot water supplies for heating buildings, with an option of heating hot utility water or a mobile technology applying hot utility water. It is of special advantage on sites where a mobile thermal source is needed. There are almost no requirements for boiler rooms installation. The boiler rooms are supplied with a burner for liquid fuel burning. The standard modification includes a diesel generator set allowing for the boiler room operation without an external supply of electricity.
Technical Specifications
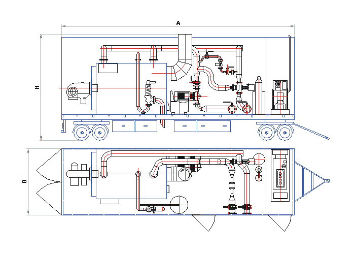
The transportable hot water boiler room is completely fitted with machinery and electrical equipment on a trailer adapted for the road. The set includes the necessary pipes including pumps, a water treatment plant, system protection by means of a closed expansion vessel, the respective electrical installations of the measuring and control system. The system is supplemented with circulation pumps for supplying the fluid into the heating network, with all the necessary equipment for the preparation of hot utility water. A diesel generator set added to the container boiler room serves for generating electricity for the boiler room operation. In the table below, the outputs up to 2.5 MW are included.
Supply and Storage
The transportable boiler-room is supplied as a unit (boiler, water treatment plant, system protection, operating heavy current distribution, measuring and control) including a thermally insulated trailer case and a diesel generator set.
Technical Parameters - TPV-P Boiler Rooms
| Type of TPV-P | Units | TPV-P160 | TPV-P250 | TPV-P400 | TPV-P650 | TPV-P1000 | TPV-P1600 | TPV-P2500 |
| Rated output | kW | 160 | 250 | 400 | 650 | 1000 | 1600 | 2500 |
| Maximum output | kW | 180 | 290 | 465 | 730 | 1150 | 1860 | 2900 |
| Minimum output | kW | 84 | 130 | 214 | 328 | 520 | 856 | 1350 |
| Maximum overpressure | MPa | 0,6 (0,9 ; 1,4) | ||||||
| Water temperature drop | °C | 90 / 70 | ||||||
| Maximum output water temperature | °C | 110 | ||||||
| Minimum water flow | m3/h | 3,6 | 5,6 | 9,2 | 14,1 | 22,4 | 36,8 | 58 |
| Minimum input water temperature | °C | 70 | ||||||
| Boiler efficiency | % | 89 - 94 | ||||||
| Fuel | - | Fuel Oil, LO, Propane | ||||||
| Temperature of combustion air | °C | 20 | ||||||
| Fuel consumption at maximum output | kg/hr | 17,8 | 28,6 | 45,8 | 71,9 | 113,3 | 183,3 | 285,8 |
| Maximum of air for combustion (lambda=1,1) | Nm3/h | 204 | 328 | 526 | 825 | 1300 | 2105 | 3278 |
| Maximum amount of flue gases | Nm3/h | 219 | 352 | 564 | 886 | 1396 | 2258 | 3517 |
| Emissions | ||||||||
| Propan: - standard - low emission |
mg/Nm3 | NOx - 160, CO - 50 NOx - 100, CO - 50 |
||||||
| LO | mg/Nm3 | NOx - 450, CO - 175, SO 2 - 1000, solid substances - 100, smoke rate < 2 | ||||||
| Dimensions | ||||||||
| Length A | mm | 6920 | 7140 | 7320 | 7640 | 7840 | 8440 | 9040 |
| Width B | mm | 6920 | 2575 | 2575 | 2575 | 2575 | 2575 | 2575 |
| Height H | mm | 2575 | 3950 | 3950 | 3950 | 3950 | 3950 | 3950 |
| Input / Output | mm | 80 / 80 | 80 / 80 | 100 / 100 | 125 / 125 | 150 / 150 | 150 / 150 | 200 / 200 |
TECHNICAL CHANGES ARE RESERVED
Emissions relate to 3% O2 in dry combustion products at t = 0°C and barometric pressure.
The given emission levels may be maintained provided that the liquid fuel contains (except for values according CSN 656506) maximally: S < 5 000 mg/kg, N < 1 000 mg/kg, asfalthenes < 3 %.
Mobile Hot Water Heating Plants - Trailer-Mounted - Thermal Capacity - 160 kW to 2,500 kW
